Welcome To the Hoffman Amplifiers Forum

October 23, 2025, 05:37:08 am
guest image
Welcome, Guest. Please login or register.
-User Name
-Password



Hoffman Amps Forum image Author Topic: Need Expert Help with Schematic Discrepancies  (Read 1863 times)

0 Members and 1 Guest are viewing this topic.

Offline TubeJunkie

  • Level 1
  • *
  • Posts: 69
  • I love Tube amps
Hoffman Amps Forum image
Need Expert Help with Schematic Discrepancies
« on: January 18, 2020, 08:03:33 am »
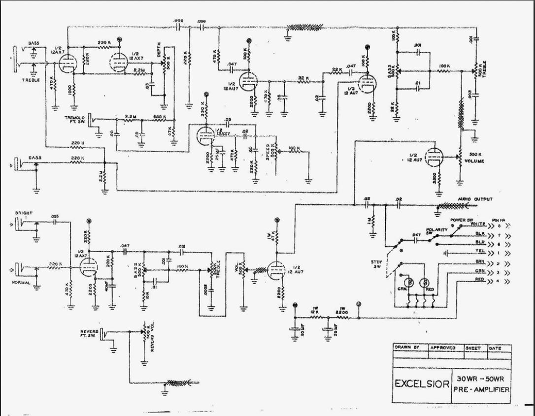
I'm researching an amp build, and have come across two sets of schematics for the same amp, but they have some differences.  None are dated, so I don't know which is the most current.  I could really use some help figuring out which is correct, and why, and what the tonal/functional differences are between the differnt values, and different locations.  Or, is one correct and one wrong?  The differences are shown below in the Schematic Differences JPEG.  In the JPEG, the image on the left is from Set 1, and the one on the right is from Set 2:

Set 1 Pre-Amp
http://2.bp.blogspot.com/-PvHVV3SDaTU/UWjhYsYe__I/AAAAAAAACS4/IXqCi65NHVQ/s1600/Excelsior+preamp.JPG

Set 1 Power Amp
http://1.bp.blogspot.com/-Ap00oYhq574/UWjhY-jjEGI/AAAAAAAACTA/bNS_3lIZ5S4/s1600/ExcelsiorSchematic.JPG


Set 2 Pre-Amp
https://images.reverb.com/image/upload/s--JioSPy24--/f_auto,t_supersize/v1533842432/ilygvkcbfg2vuws7wxzt.jpg

Set 2 Power Amp
https://images.reverb.com/image/upload/s--X-fTPyIq--/f_auto,t_supersize/v1533842437/erotiwpmubvxjylj1le8.jpg
« Last Edit: January 18, 2020, 08:07:15 am by TubeJunkie »

Offline shooter

  • Level 5
  • *******
  • Posts: 11100
  • Karma Loves haters
Hoffman Amps Forum image
Re: Need Expert Help with Schematic Discrepancies
« Reply #1 on: January 18, 2020, 08:41:23 am »
.01uf is sorta a defacto value in trem circuits

the bottom values are all within "tweak to your like", flip a coin to start, or start small n parallel for easy tweaking

Gonna stab at.EDIT .05uF below the line
Went Class C for efficiency

Offline sluckey

  • Level 5
  • *******
  • Posts: 5075
    • Sluckey Amps
Hoffman Amps Forum image
Re: Need Expert Help with Schematic Discrepancies
« Reply #2 on: January 18, 2020, 09:50:52 am »
PRE-AMP... These two caps and one resistor form a high pass filter designed to pass the instrument signal and reject the tremolo signal. Either may be correct but I'd bet on the .01µF caps.

PRE-AMP - TREMOLO... Both circuits are wrong. See attachment.

PRE-AMP - GUITAR INPUT... This is a typical James tonestack. It's more common to see a small value cap on top of the Treble pot and a larger value cap on the bottom of the Treble pot.

REVERB... Either cap is acceptable. Doubt you could tell the difference. Who knows which is actually in the amp.
A schematic, layout, and hi-rez pics are very useful for troubleshooting your amp. Don't wait to be asked. JUST DO IT!

Offline TubeJunkie

  • Level 1
  • *
  • Posts: 69
  • I love Tube amps
Hoffman Amps Forum image
Re: Need Expert Help with Schematic Discrepancies
« Reply #3 on: January 18, 2020, 11:33:30 am »
Thanks shooter and sluckey.  I believe I'll go with the .01uf over the .0047uf for the PRE-AMP.  For the GUITAR INPUT, both schematics show a .001uf cap before the tone pot (attached).  Since the most common arrangement for a Jones tonestack is a smaller cap on the top and a larger cap on the bottom, then the correct value should be .0022uf and not 200pf?  And, any value from 20uf up to 50uf should work for the REVERB?


 


Choose a link from the
Hoffman Amplifiers parts catalog
Mobile Device
Catalog Link
Yard Sale
Discontinued
Misc. Hardware
What's New Board Building
 Parts
Amp trim
Handles
Lamps
Diodes
Hoffman Turret
 Boards
Channel
Switching
Resistors Fender Eyelet
 Boards
Screws/Nuts
Washers
Jacks/Plugs
Connectors
Misc Eyelet
Boards
Tools
Capacitors Custom Boards
Tubes
Valves
Pots
Knobs
Fuses/Cords Chassis
Tube
Sockets
Switches Wire
Cable


Handy Links
Tube Amp Library
Tube Amp
Schematics library
Design a custom Eyelet or
Turret Board
DIY Layout Creator
File analyzer program
DIY Layout Creator
File library
Transformer Wiring
Diagrams
Hoffmanamps
Facebook page
Hoffman Amplifiers
Discount Program


password