Welcome To the Hoffman Amplifiers Forum

December 08, 2025, 01:04:37 pm
guest image
Welcome, Guest. Please login or register.
-User Name
-Password



Hoffman Amps Forum image Author Topic: 70's Italian amp "Sound Big 10" schematic?  (Read 5368 times)

0 Members and 1 Guest are viewing this topic.

Offline JvR

  • Level 1
  • *
  • Posts: 5
  • I love Tube amps
Hoffman Amps Forum image
70's Italian amp "Sound Big 10" schematic?
« on: March 22, 2024, 12:24:15 pm »
Hello everyone, this is my first post here after searching and finding information on here for many years. I have found this amp, Sound Big 10, locally and although it works, I would like to see if there's something to be done about the ticking tremolo. I haven't been able to find the schematic of this one though. The bigger "Big 25" I found, but this is definitely different because it has fewer tubes. It has 2 ECL82's and a 12AX7.

Obviously the brand name in relation to tube amps gives way too many hits on Google. I would be vary happy if someone has it!

« Last Edit: March 22, 2024, 01:34:26 pm by JvR »

Offline PRR

  • Level 5
  • *******
  • Posts: 17082
  • Maine USA
Hoffman Amps Forum image
Re: 70's Italian amp "Sound Big 10" schematic?
« Reply #1 on: March 22, 2024, 08:29:09 pm »
Welcome!

> The bigger "Big 25" I found, but this is definitely different because it has fewer tubes.

Show/link that. Tube-count can be misleading.

Offline JvR

  • Level 1
  • *
  • Posts: 5
  • I love Tube amps
Hoffman Amps Forum image
Re: 70's Italian amp "Sound Big 10" schematic?
« Reply #2 on: March 23, 2024, 04:56:26 am »
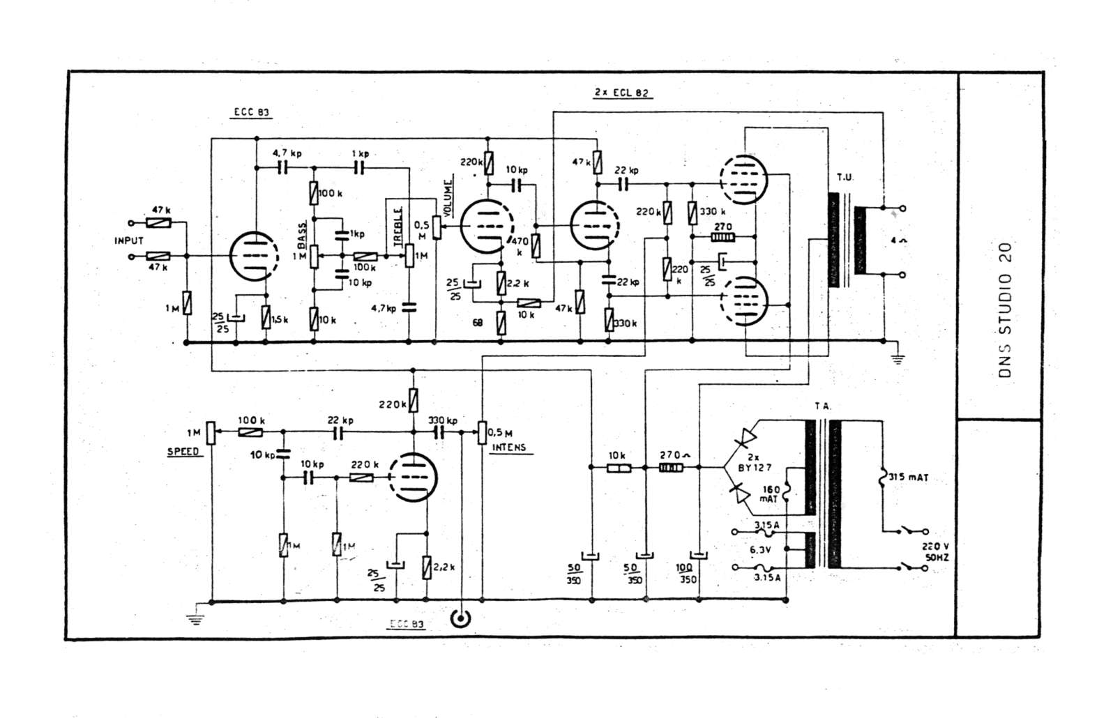
Sure, Here's the schematic of the Big 25 and the guts of the Big 10. Fewer tubes and different tubes. The Big 10 has ECL82's (6BM8) and one 12ax7.
An amp with a similar tube combination is the Watkins Westminster, although that one has a rectifier tube and the Sound has 2 diodes. The tremolo on that amp is unusual as it seems to modulate the plate voltage of V1.
I have read that a lot of the Italian amps from that time were copies of British amps, so who knows. It's very hard for me to trace the circuitry from the 'PCB'. It can be done of course but I thought I would first try to find the schematic.

Offline PRR

  • Level 5
  • *******
  • Posts: 17082
  • Maine USA
Hoffman Amps Forum image
Re: 70's Italian amp "Sound Big 10" schematic?
« Reply #3 on: March 23, 2024, 01:06:29 pm »
> Fewer tubes and different tubes. The Big 10 has ECL82's (6BM8) and one 12ax7.

12AX7 "is" ECC83, isn't it?

ECL82/6BM8 is a power pentode and a high-Mu triode almost like a 12AX7 (maybe closer to 12AT7).

But you say the "10" has just one 12AX7/ECC83? And has tremolo?? You are right, that's not enough.

Offline kagliostro

  • Level 5
  • *******
  • Posts: 7838
Hoffman Amps Forum image
Re: 70's Italian amp "Sound Big 10" schematic?
« Reply #4 on: March 27, 2024, 12:19:03 am »
Ciao JvR

There was a forum in Italy (il Riparatore) that had a section devoted to old amps and it was a good source of info about old Italian products

Unfortunately the forum is closed since a pair of years and I've no way to contact those guys

I think you must redraw the schematic by yourself

The PCB seems a single plate and so the job will be easier

You can try to put the PCB (traces face) on a scanner then print the image and using a pencil drawn the components on the printed PCB, when you have done that it will be easier to draw your schematic

If you encounter difficulties to draw the schematic, post the image of the PCB you printed and completed with components and we will try to help you

Franco
The world is a nice place if there is health and there are friends

Offline Esquirefreak

  • Level 2
  • **
  • Posts: 403
  • I love Tube amps
Hoffman Amps Forum image
Re: 70's Italian amp "Sound Big 10" schematic?
« Reply #5 on: March 27, 2024, 02:45:18 am »
Just from looking at the PCB and tubes, this looks like a Hagström 39. And if I remember correctly, that was, to some degree, based on some Philips hifi amp. Compare the schematic of the Hagström to your amp, maybe?

/Max

Offline kagliostro

  • Level 5
  • *******
  • Posts: 7838
Hoffman Amps Forum image
Re: 70's Italian amp "Sound Big 10" schematic?
« Reply #6 on: March 28, 2024, 03:17:41 pm »
The only schematic I find similar to the description is the Hagstrom-39



I find it on Doug's database but I'm not able to find photo of the PCB of that amp

Franco


The world is a nice place if there is health and there are friends

Offline JvR

  • Level 1
  • *
  • Posts: 5
  • I love Tube amps
Hoffman Amps Forum image
Re: 70's Italian amp "Sound Big 10" schematic?
« Reply #7 on: March 29, 2024, 07:19:54 am »
Good tip about scanning the PCB, Franco! Thanks.

I've managed to solve the ticking vibrato issue by adding a small cap to ground from the grid of the oscillator triode. The amp works fine after replacing the electrolytic capacitors. At this point I have no immediate need for a schematic anymore. Thanks for the replies!

Ciao JvR

There was a forum in Italy (il Riparatore) that had a section devoted to old amps and it was a good source of info about old Italian products

Unfortunately the forum is closed since a pair of years and I've no way to contact those guys

I think you must redraw the schematic by yourself

The PCB seems a single plate and so the job will be easier

You can try to put the PCB (traces face) on a scanner then print the image and using a pencil drawn the components on the printed PCB, when you have done that it will be easier to draw your schematic

If you encounter difficulties to draw the schematic, post the image of the PCB you printed and completed with components and we will try to help you

Franco

Offline Firetone

  • Level 1
  • *
  • Posts: 2
  • I love Tube amps
Hoffman Amps Forum image
Re: 70's Italian amp "Sound Big 10" schematic?
« Reply #8 on: April 02, 2024, 10:16:41 am »
I believe that these amps where imported to Scandinavia by Hagstrom, under the name DNS (it is supposed to stand for Denmark, Norway, Sweden).
I think that this is what they called the DNS Studio 20, and if that's correct the schematic can be found here:
http://ljudbojen.com/download/file.php?id=19894

Offline JvR

  • Level 1
  • *
  • Posts: 5
  • I love Tube amps
Hoffman Amps Forum image
Re: 70's Italian amp "Sound Big 10" schematic?
« Reply #9 on: April 02, 2024, 10:36:29 am »
Interesting! The values of the components I checked all match with this schematic. Except I don’t see the negative feedback in my amp. I do feel like I hear it though. It’s a very tame amp. Thanks a lot for this!


I believe that these amps where imported to Scandinavia by Hagstrom, under the name DNS (it is supposed to stand for Denmark, Norway, Sweden).
I think that this is what they called the DNS Studio 20, and if that's correct the schematic can be found here:
http://ljudbojen.com/download/file.php?id=19894

Offline PRR

  • Level 5
  • *******
  • Posts: 17082
  • Maine USA
Hoffman Amps Forum image
Re: 70's Italian amp "Sound Big 10" schematic?
« Reply #10 on: April 02, 2024, 01:18:59 pm »
> I don’t see the negative feedback in my amp.

It can't be very much NFB, and might be omitted if the speaker were mellow. Maybe so little difference that it came down to $0.24 of resistor cost- at some point in the life of any audio company, they start leaving-out stuff like that. (Note that they already omitted the cathodyne bias resistor, a time-honored cheap-trick.)

Offline JvR

  • Level 1
  • *
  • Posts: 5
  • I love Tube amps
Hoffman Amps Forum image
Re: 70's Italian amp "Sound Big 10" schematic?
« Reply #11 on: April 02, 2024, 01:42:16 pm »
Yes I see that. And what about the plate resistor of the first stage? Am I wrong or is it not in the schematic? There’s a 100k resistor after the 4.7nf cap that’s connected to the plate. That can’t be right. Or?

> I don’t see the negative feedback in my amp.

It can't be very much NFB, and might be omitted if the speaker were mellow. Maybe so little difference that it came down to $0.24 of resistor cost- at some point in the life of any audio company, they start leaving-out stuff like that. (Note that they already omitted the cathodyne bias resistor, a time-honored cheap-trick.)

Offline sluckey

  • Level 5
  • *******
  • Posts: 5075
    • Sluckey Amps
Hoffman Amps Forum image
Re: 70's Italian amp "Sound Big 10" schematic?
« Reply #12 on: April 02, 2024, 01:57:04 pm »
And what about the plate resistor of the first stage? Am I wrong or is it not in the schematic?
That's a schematic error. As drawn the amp would make zero musical sound.
A schematic, layout, and hi-rez pics are very useful for troubleshooting your amp. Don't wait to be asked. JUST DO IT!

Offline PRR

  • Level 5
  • *******
  • Posts: 17082
  • Maine USA
Hoffman Amps Forum image
Re: 70's Italian amp "Sound Big 10" schematic?
« Reply #13 on: April 02, 2024, 02:40:45 pm »
> There’s a 100k resistor after the 4.7nf cap that’s connected to the plate.

That resistor is part of the tonestack, so the impedance does not go to 0.9kp capacitive in midband.

(Never saw "kp" before, must be the week between "p" being approved and "n" getting in.)

You guys are right that there must be a plate resistor and, maybe coincidence, 100K is very likely.

Pick on this.
« Last Edit: April 02, 2024, 03:24:33 pm by PRR »

Offline sluckey

  • Level 5
  • *******
  • Posts: 5075
    • Sluckey Amps
Hoffman Amps Forum image
Re: 70's Italian amp "Sound Big 10" schematic?
« Reply #14 on: April 02, 2024, 03:26:45 pm »
I thought the "kp" (kilo-pico) was funny. I like it better than nano.    :icon_biggrin:
A schematic, layout, and hi-rez pics are very useful for troubleshooting your amp. Don't wait to be asked. JUST DO IT!

Offline kagliostro

  • Level 5
  • *******
  • Posts: 7838
Hoffman Amps Forum image
Re: 70's Italian amp "Sound Big 10" schematic?
« Reply #15 on: April 04, 2024, 01:45:29 pm »
Thanks for sharing the correct schematic PRR

Franco
The world is a nice place if there is health and there are friends

Offline EL34

  • Administrator
  • Level 5
  • **********
  • Posts: 10463
  • wooot!
    • Hoffman Amplifiers
Hoffman Amps Forum image
Re: 70's Italian amp "Sound Big 10" schematic?
« Reply #16 on: April 05, 2024, 09:51:20 am »
Ok, I grabbed the imageI'll upload it with the same name so it replaces the other one

Offline isaac_teller

  • Level 2
  • **
  • Posts: 170
  • I love tube amps
Hoffman Amps Forum image
Re: 70's Italian amp "Sound Big 10" schematic?
« Reply #17 on: August 15, 2025, 03:29:35 pm »
file:///C:/Users/zafim/Downloads/Sound%20Big%2025%20RT%20Schaltplan%20(4).pdf


Hi. Just noticed that there is no capacitor between the driver triode of the reverb tank and the input of the tank. Wouldn't this arrangement fry the transducer?


Offline kagliostro

  • Level 5
  • *******
  • Posts: 7838
Hoffman Amps Forum image
Re: 70's Italian amp "Sound Big 10" schematic?
« Reply #18 on: August 15, 2025, 03:57:58 pm »
Seems you linked something that Is on your PC

and so not available

https://el34world.com/Forum/index.php?action=dlattach;topic=31496.0;attach=112661

Franco
« Last Edit: August 15, 2025, 04:03:27 pm by kagliostro »
The world is a nice place if there is health and there are friends

Offline isaac_teller

  • Level 2
  • **
  • Posts: 170
  • I love tube amps
Hoffman Amps Forum image
Re: 70's Italian amp "Sound Big 10" schematic?
« Reply #19 on: August 16, 2025, 12:31:03 am »
Post #3. Sound big 25 schaltplan.

 


Choose a link from the
Hoffman Amplifiers parts catalog
Mobile Device
Catalog Link
Yard Sale
Discontinued
Misc. Hardware
What's New Board Building
 Parts
Amp trim
Handles
Lamps
Diodes
Hoffman Turret
 Boards
Channel
Switching
Resistors Fender Eyelet
 Boards
Screws/Nuts
Washers
Jacks/Plugs
Connectors
Misc Eyelet
Boards
Tools
Capacitors Custom Boards
Tubes
Valves
Pots
Knobs
Fuses/Cords Chassis
Tube
Sockets
Switches Wire
Cable


Handy Links
Tube Amp Library
Tube Amp
Schematics library
Design a custom Eyelet or
Turret Board
DIY Layout Creator
File analyzer program
DIY Layout Creator
File library
Transformer Wiring
Diagrams
Hoffmanamps
Facebook page
Hoffman Amplifiers
Discount Program


password