Welcome To the Hoffman Amplifiers Forum

April 14, 2026, 08:22:52 pm
guest image
Welcome, Guest. Please login or register.
-User Name
-Password



Hoffman Amps Forum image Author Topic: High Gain 1U Rack Preamp Build (SLO OD Channel)  (Read 2497 times)

0 Members and 1 Guest are viewing this topic.

Offline Snave

  • Level 1
  • *
  • Posts: 1
  • I love Tube amps
Hoffman Amps Forum image
High Gain 1U Rack Preamp Build (SLO OD Channel)
« on: March 25, 2026, 02:41:12 pm »
I'm looking at building a single channel 1U rack preamp based on the Soldano SLO100 overdrive channel. I'm fairly new to circuit modding, but have soldering experience and built an Egnater seminar amp without issues.

The Rob Robinette SLO Nakid circuit seems better suited for this than the original circuit, so I'm planning on starting with a turret board rather than a C3 SLO PCB. I'm torn between turrets and eyelets and open to suggestions—I see most people seem to favor turrets. I'll have a PCB available if that would be an easier starting point for some reason.



First step would obviously be deleting the power section. I have some questions about where to go from there, however. Here's a crude mockup with the power section removed:



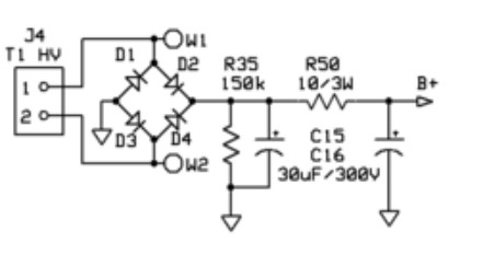
1. For a PT, I'm looking at the Hammond 261C6 (secondaries are 250VAC 45mA and 6.3V 1A, 1.625" wide). Would this be adequate for the 4 preamp tubes in this design (assuming V4 will be an output buffer stage)? A similar project I saw online using this transformer used the following full wave rectifier circuit which I believe outputs ~350VDC:



The SLO Nakid schematic shows preamp plate voltages ranging from 350V to 378V so I'm concerned about this transformer being underpowered.



2. What would a V4 output buffer look like in this circuit? I know from experience that the Soldano SP77 output impedance is higher than ideal (~77k unbuffered I was told) and it gets loaded down when switching in effects units. The Soldano X88R doesn't have this issue, so maybe adopting its output stage would be sensible.

3. What kind of filtering would this circuit need as a preamp only? I see the Soldano SP77 preamp uses 2x 30uf 450V and 2x 10uf 360V, while the Soldano X88R preamp uses 4x 16uf 450V and 2x 40uf 450V caps. I have another 1-channel high gain rack preamp that uses 4x 47uf 450V and 2x 330uf 400V. How would the power filtering layout need to change in preamp-only configuration?

4. Any thoughts on aluminum versus steel rackmount chassis? I would prefer aluminum for the weight, but I've read that grounding needs to be different when using aluminum (Larry grounding?).

Thanks.
« Last Edit: March 25, 2026, 10:09:01 pm by Snave »

Offline Rontone

  • Level 2
  • **
  • Posts: 269
  • Ixnay on the Ampscray
Hoffman Amps Forum image
Re: High Gain 1U Rack Preamp Build (SLO OD Channel)
« Reply #1 on: March 26, 2026, 08:04:15 am »
If you are using 4x 12AX7 @ 300mA each for heaters then you may need more heater current than a Hammond 261C6 transformers 6.3V at 1A can deliver

Although you could run the 1st input 12AX7 only with DC heaters from the Hammond 261C6 to get 600mA DC heater for that one tube...

Then a separate 6.3V 1A to 1.5A transformer to run the other 3 tubes on AC heaters?



Also will that TX fit neatly into the 1U chassis? the bobbin a wire leadout area seem to be 1.6"? might be close in a 1U

If you use a PCB will the filter caps be stood upright etc? That may also affect the height needed for the chassis

Some of the toroidal transformers that RobRob recommends on some of his other builds may work well, an Antek type, but there are safety considerations for mounting toroidal transformers correctly so do read about that if you go down that path

 


Choose a link from the
Hoffman Amplifiers parts catalog
Mobile Device
Catalog Link
Yard Sale
Discontinued
Misc. Hardware
What's New Board Building
 Parts
Amp trim
Handles
Lamps
Diodes
Hoffman Turret
 Boards
Channel
Switching
Resistors Fender Eyelet
 Boards
Screws/Nuts
Washers
Jacks/Plugs
Connectors
Misc Eyelet
Boards
Tools
Capacitors Custom Boards
Tubes
Valves
Pots
Knobs
Fuses/Cords Chassis
Tube
Sockets
Switches Wire
Cable


Handy Links
Tube Amp Library
Tube Amp
Schematics library
Design a custom Eyelet or
Turret Board
DIY Layout Creator
File analyzer program
DIY Layout Creator
File library
Transformer Wiring
Diagrams
Hoffmanamps
Facebook page
Hoffman Amplifiers
Discount Program


password