Welcome To the Hoffman Amplifiers Forum

January 24, 2026, 10:53:15 am
guest image
Welcome, Guest. Please login or register.
-User Name
-Password



Hoffman Amps Forum image Author Topic: Finished! Princeton 5F2A New gator cab!  (Read 10905 times)

0 Members and 1 Guest are viewing this topic.

Offline Willabe

  • Global Moderator
  • Level 5
  • ******
  • Posts: 10580
Hoffman Amps Forum image
Finished! Princeton 5F2A New gator cab!
« on: November 17, 2016, 07:04:27 pm »
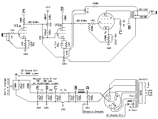
I'm ready to wire this amp up, eyelet/turret board is made and installed in a tweed Princeton 5F2A clone chassis I bought from Doug. I have Doug's Princeton Reverb/Vibro Champ PT and Fender 6L6 choke for an extra B+ (cap/choke) filter node before B+ power tube plate/OT.

But I have a question or 2 about what value NFB R to use.

The OT I'm using is an Allen Amps (Heyboer) TO11S, SE 10w with dual primary/secondaries of 8K/8Ω/16Ω and 4K/4Ω/8Ω. The 8K is for a 6V6 and the 4K is for 6L6GB/GC, EL34. I put in a SPDT switch next to the speaker jack to flip between them.

I want to be able to use a K bypass cap on V1B so I'm using the NFB loop from a Vibro Champ, AA764.

HBP posted the math for changing the NFB series R value when you change speaker taps.

I get this;

4Ω tap; √(5w x 4Ω)= 4.47v   8Ω tap; √(5w x 8Ω)= 6.32v   6.32v/4.47v= 1.41v   2,700 x 1.41= 3,807

Is that correct if I go with the 8Ω tap for the NFB series R? Nearest stock R value 3K6?

Second question, will I need a different NFB series R value when I switch the OT primary from 8K to 4K? Or will the ratio stay the same?  (Dual primary/secondaries;  8K/8Ω/16Ω and 4K/4Ω/8Ω.)
« Last Edit: February 27, 2019, 03:59:56 pm by Willabe »

Offline PRR

  • Level 5
  • *******
  • Posts: 17082
  • Maine USA
Hoffman Amps Forum image
Re: New build NFB R value with dual sec. OT? Princeton 5F2A
« Reply #1 on: November 17, 2016, 11:45:00 pm »
You know, at this level I would *really* think about the NFB interaction with the specific *speaker* system. Not any abstract math. (Which I can do, but I think misses a point.)

Plainly the amp will "run" with any value from infinity to a few hundred Ohms. Wide open may be rude and undamped. 200 Ohms very tame and highly damped (by guitar-amp standard).

Use Leo's value. He was not dumb. However he knew what he was selling ("less than a DeLuxe") and what cabinet and speaker he had in mind/stock ("cheap and OK") and tuned the NFB for that and the musicians he worked with. When you have *your* speaker (venue, genre) selected, fiddle the resistor value to taste.

Or just put in a pot. Adjust to suit. Suit the speaker, the venue, the genre. Really more useful than an on/off switch.

If "off" is your Solo mode, do the switch also. Don't worry about the 47 ohms, it has essentially no effect under a 12AX7 cathode.
« Last Edit: November 17, 2016, 11:47:51 pm by PRR »

Offline Willabe

  • Global Moderator
  • Level 5
  • ******
  • Posts: 10580
Hoffman Amps Forum image
Re: New build NFB R value with dual sec. OT? Princeton 5F2A
« Reply #2 on: November 18, 2016, 10:00:20 am »
Ok, thanks PRR, I'll try that.  :icon_biggrin: (I think I can sneak a pot in, this tweed chassis is pretty tight on space.)

But do the primary/secondary ratios stay the same for choosing a single NFB series R when switching from the 8K primary tap to the 4K primary tap for a 6L6GB/GC? 

I'm thinking no because the acv at the secondary would be higher using a 6L6GB/GC on the 4k to 8Ω. 
« Last Edit: November 18, 2016, 10:27:46 am by Willabe »

Offline Willabe

  • Global Moderator
  • Level 5
  • ******
  • Posts: 10580
Hoffman Amps Forum image
Re: New build NFB R value with dual sec. OT? Princeton 5F2A
« Reply #3 on: November 18, 2016, 11:23:04 am »
Here's my layout, I'm not sure it will work with the NFB pot by the input jack.  :dontknow:

Not many choices with this little chassis. 
« Last Edit: November 19, 2016, 09:34:12 pm by Willabe »

Offline terminalgs

  • Level 3
  • ***
  • Posts: 700
Hoffman Amps Forum image
Re: New build NFB R value with dual sec. OT? Princeton 5F2A
« Reply #4 on: November 18, 2016, 12:23:22 pm »
do the primary/secondary ratios stay the same for choosing a single NFB series R when switching from the 8K primary tap to the 4K primary tap for a 6L6GB/GC? 

I'm thinking no because the acv at the secondary would be higher using a 6L6GB/GC on the 4k to 8Ω.


you can follow Marshall's lead, his amps had 4/8/16 switches and he always used one tap for the nfb circuit, regardless of speaker tap selection.  Sometimes the 4ohm tap, often times the 8ohm tap. 


because you are switching between 4/8, the 4K load doesn't change.

Offline Willabe

  • Global Moderator
  • Level 5
  • ******
  • Posts: 10580
Hoffman Amps Forum image
Re: New build NFB R value with dual sec. OT? Princeton 5F2A
« Reply #5 on: November 18, 2016, 12:50:23 pm »
you can follow Marshall's lead, his amps had 4/8/16 switches and he always used one tap for the nfb circuit, regardless of speaker tap selection.  Sometimes the 4ohm tap, often times the 8ohm tap.

Yes, this I understand. It's because the NFB loop always see's the 1 secondary tap it's wired to and that tap always has the same acv present no matter which secondary tap you hook up a speaker to.

because you are switching between 4/8, the 4K load doesn't change.

But if I don't change the speaker load but do change the primary load and power tube type then what? This is where I'm confused.

With a 6V6, 8K load, on the 8Ω tap there would be a different acv present then with a 6L6GB/GC, 4K load, 8Ω tap, right?

Offline shooter

  • Level 5
  • *******
  • Posts: 11269
  • Karma Loves haters
Hoffman Amps Forum image
Re: New build NFB R value with dual sec. OT? Princeton 5F2A
« Reply #6 on: November 18, 2016, 03:55:04 pm »
Quote
I put in a SPDT switch next to the speaker jack to flip between them.

once you do like PRR said and dial in an R for 6V6, an R for 6L6, could you use  like a DPDT to switch both impedance and R?

I think from my experience, once you start whipping the 6V6 hard you ain't gonna get much help from NFB, but hopefully you get "that sound" from an SE being abused :laugh:
Went Class C for efficiency

Offline PRR

  • Level 5
  • *******
  • Posts: 17082
  • Maine USA
Hoffman Amps Forum image
Re: New build NFB R value with dual sec. OT? Princeton 5F2A
« Reply #7 on: November 18, 2016, 04:18:29 pm »
On the back better than next to input.

I think it is a setup tweak, not something you'd use in performance.

Offline Willabe

  • Global Moderator
  • Level 5
  • ******
  • Posts: 10580
Hoffman Amps Forum image
Re: New build NFB R value with dual sec. OT? Princeton 5F2A
« Reply #8 on: November 18, 2016, 05:21:38 pm »
once you do like PRR said and dial in an R for 6V6, an R for 6L6, could you use like a DPDT to switch both impedance and R?

Maybe, it's a Tweed Princeton (Champ with single tone control) chassis, very little room for anything extra. :BangHead:
I already drilled the hole for that switch and it's very close to the speaker jack now. I can get a DPDT switch in but not sure I can wire it up? 

I think from my experience, once you start whipping the 6V6 hard you ain't gonna get much help from NFB, but hopefully you get "that sound" from an SE being abused :laugh:

Nah, heavy distortion is overrated IMO. I just need a little/some break up, no whipping or abusing the tubes.

I've had this amp on my bread board for several months, I never play it past 6 (1:00) and that's been mostly for slide.
« Last Edit: November 18, 2016, 05:23:56 pm by Willabe »

Offline Willabe

  • Global Moderator
  • Level 5
  • ******
  • Posts: 10580
Hoffman Amps Forum image
Re: New build NFB R value with dual sec. OT? Princeton 5F2A
« Reply #9 on: November 18, 2016, 05:27:17 pm »
On the back better than next to input.

It's a Tweed Princeton (Champ with single tone control) chassis, very little room for anything extra. :BangHead:

I'm gonna try it next to the single input jack, in jack #2's hole, if it doesn't work, oh well.  :dontknow:

I think it is a setup tweak, not something you'd use in performance.

Yeah, probably right.
 
« Last Edit: November 18, 2016, 05:31:00 pm by Willabe »

Offline shooter

  • Level 5
  • *******
  • Posts: 11269
  • Karma Loves haters
Hoffman Amps Forum image
Re: New build NFB R value with dual sec. OT? Princeton 5F2A
« Reply #10 on: November 18, 2016, 07:06:07 pm »
Quote
heavy distortion is overrated IMO
my last build is a kinda sorta champ PSE 6V6, I didn't like the gain past 11o-clock, below, happy camper chimey, but... I was home alone, dialed it way past 11 and the players I know WILL smile, me, I'm with you, although you can't "cheat" cuz you will hear ALL the note/chord screw-ups!

what speaker are you using, I settled on a late 50's rola 12"
Went Class C for efficiency

Offline Willabe

  • Global Moderator
  • Level 5
  • ******
  • Posts: 10580
Hoffman Amps Forum image
Re: New build NFB R value with dual sec. OT? Princeton 5F2A
« Reply #11 on: November 18, 2016, 07:32:24 pm »
what speaker are you using, I settled on a late 50's rola 12"

I want the amp for at home, I haven't played out at a gig in many years except a few times at church. This little Princeton/Champ sounds real good to me with my stand alone Fender verb clone and the WGS. Plenty loud for at home. Warbler sounds great through it too!

The OT is a Alen amps (Heyboer) 10w with an 8K/8Ω/16Ω and 4K/4Ω/8Ω primary/secondary taps so I can use a 6L6GB/GC if/when I want. I tried an NOS Phillips/JAN 6L6GB on 4K wind on the BB and I liked it a lot.   

I've been playing through a WGS 15" alnico that's in a Mojo open back single 15" cab. I love this speaker!!!!!!

I also have a Vox blue 12" in a Mojo open back single 12" cab (I have 2 of the Mojo single cabs) and I have a Tone Tubby 12" alnico 75w (?) (it's a bit heavy in the mids, WGS 15" is more balanced). I much prefer the WGS.

Also a Tone Tubby 12" alnico 25w (?) still in it's box. Got a Celestion 12" vintage 30, G12H and G12M all 3 still in their box, bought them at least 10 years ago. (I bought the Vox blue with them.) Some day........     :think1: :laugh:   
« Last Edit: November 18, 2016, 07:44:32 pm by Willabe »

Offline Willabe

  • Global Moderator
  • Level 5
  • ******
  • Posts: 10580
Hoffman Amps Forum image
Re: New build NFB R value with dual sec. OT? Princeton 5F2A
« Reply #12 on: March 31, 2017, 08:56:57 pm »
Finished this a few weeks ago, been playing through it. Sounds good to me but seems to be lacking sustain/bloom compared to my PP amps.

I don't like any NFB at all so far, makes it sound dull/lifeless/less sustain.   :dontknow:

I don't run it past 12:00 or so, tone ~1:00. Plenty of break up at that setting, I just want some more sustain. Has a Allen Amps (Heyboer) TO11S, 10w/95mA OT, 4R and 8R secondary taps.

I like a 5AR4/GZ34 with NOS 6L6GB for my Strat/finger style, but I like a 5Y3 with a NOS 6V6 for slide.

Here's final drawings.
« Last Edit: April 01, 2017, 07:21:41 am by Willabe »

Offline jjasilli

  • Level 5
  • *******
  • Posts: 6752
  • Took the power supply test. . . got a B+
Hoffman Amps Forum image
Re: Finished! NFB R value with dual sec. OT? Princeton 5F2A
« Reply #13 on: March 31, 2017, 11:44:58 pm »
Maybe try reducing B+ filter values.  Yours are higher than stock; much higher in the 1st 2 filter stages.  Sometimes there's magic in 8uF, especially in the last filter stage (1st preamp stage).

Offline DummyLoad

  • SMG
  • Level 5
  • *****
  • Posts: 5804
Hoffman Amps Forum image
Re: New build NFB R value with dual sec. OT? Princeton 5F2A
« Reply #14 on: April 01, 2017, 02:30:31 am »
On the back better than next to input.

It's a Tweed Princeton (Champ with single tone control) chassis, very little room for anything extra. :BangHead:

I'm gonna try it next to the single input jack, in jack #2's hole, if it doesn't work, oh well.  :dontknow:

I think it is a setup tweak, not something you'd use in performance.

Yeah, probably right.


use a 16mm pot or a type RV8, they'll probably fit.


--pete

Offline HotBluePlates

  • Global Moderator
  • Level 5
  • ******
  • Posts: 13158
Hoffman Amps Forum image
Re: New build NFB R value with dual sec. OT? Princeton 5F2A
« Reply #15 on: April 01, 2017, 07:46:57 am »
But do the primary/secondary ratios stay the same for choosing a single NFB series R when switching from the 8K primary tap to the 4K primary tap for a 6L6GB/GC? 

I'm thinking no because the acv at the secondary would be higher using a 6L6GB/GC on the 4k to 8Ω.

They stay the same (when using the same tube for the same output power); at least, the voltage at the single tap the NFB is connected to stays the same.

But it looks like you're talking about swapping tube types, more output power.  So voltage at the single secondary tap will increase.  More NFB.  PRR's variable NFB idea has a lot of merit here.  In fact, seems you might not much care for NFB with this amp at all...

Offline Willabe

  • Global Moderator
  • Level 5
  • ******
  • Posts: 10580
Hoffman Amps Forum image
Re: Finished! Princeton 5F2A New gator cab!
« Reply #16 on: February 27, 2019, 03:52:16 pm »
I finally found some faux gator that I like!!!!   :happy1:

Only took me ~5 years!  :violent1:    :BangHead:      :cussing: 

So I had Mojo make a cab and cover it with the stuff. I also sent them the grill cloth. (In their photo the grill cloth looks gray, but it's really brown.)

The gator colors look good with the old Fender ox blood with gold stripe too. I almost went with the ox stuff. 

They liked the faux gator so much, they called me and asked if I'd tell them where I got it. They said they want to do a limited run with it. :icon_biggrin:     (They think they know where to get the grill cloth.)

I told them NO!   :undecided: :laugh:

No, I told them.  :icon_biggrin:

Baffle is cut for a 12" speaker. I have a Tone Tubby, 25w, alnico, hemp cone I'll try 1st.     
« Last Edit: February 27, 2019, 04:16:39 pm by Willabe »

Offline Willabe

  • Global Moderator
  • Level 5
  • ******
  • Posts: 10580
Hoffman Amps Forum image
Re: Finished! Princeton 5F2A New gator cab!
« Reply #17 on: February 27, 2019, 03:54:16 pm »
Here's a better pic of the grill cloth. And a shot of the vinyl gator.
« Last Edit: February 27, 2019, 04:03:24 pm by Willabe »

Offline sluckey

  • Level 5
  • *******
  • Posts: 5075
    • Sluckey Amps
Hoffman Amps Forum image
Re: Finished! Princeton 5F2A New gator cab!
« Reply #18 on: February 27, 2019, 04:06:30 pm »
That looks TERRIFIC!
A schematic, layout, and hi-rez pics are very useful for troubleshooting your amp. Don't wait to be asked. JUST DO IT!

Offline Willabe

  • Global Moderator
  • Level 5
  • ******
  • Posts: 10580
Hoffman Amps Forum image
Re: Finished! Princeton 5F2A New gator cab!
« Reply #19 on: February 27, 2019, 04:22:03 pm »
Thanks.  :icon_biggrin: 

I probably spent at least a 100 hours searching for a good looking faux gator/crock!   :BangHead:

My wife loves the look of it too.  :icon_biggrin:      :laugh:

« Last Edit: March 16, 2019, 04:26:45 pm by Willabe »

Offline sluckey

  • Level 5
  • *******
  • Posts: 5075
    • Sluckey Amps
Hoffman Amps Forum image
Re: Finished! Princeton 5F2A New gator cab!
« Reply #20 on: February 27, 2019, 04:25:10 pm »
Quote
I probably spent at least a 100 hours searching for a good looking faux gator/crock!   :BangHead:
Did you call Troy?
A schematic, layout, and hi-rez pics are very useful for troubleshooting your amp. Don't wait to be asked. JUST DO IT!

Offline shooter

  • Level 5
  • *******
  • Posts: 11269
  • Karma Loves haters
Hoffman Amps Forum image
Re: Finished! Princeton 5F2A New gator cab!
« Reply #21 on: February 27, 2019, 04:27:50 pm »
Didn't know you were looking, I coulda met you on I94 with a gator from Florida, they got lots of 'em  :icon_biggrin:
Went Class C for efficiency

Offline Willabe

  • Global Moderator
  • Level 5
  • ******
  • Posts: 10580
Hoffman Amps Forum image
Re: Finished! Princeton 5F2A New gator cab!
« Reply #22 on: February 27, 2019, 05:07:32 pm »
Quote
I probably spent at least a 100 hours searching for a good looking faux gator/crock!   :BangHead:

Did you call Troy?

???

Offline Willabe

  • Global Moderator
  • Level 5
  • ******
  • Posts: 10580
Hoffman Amps Forum image
Re: Finished! Princeton 5F2A New gator cab!
« Reply #23 on: February 27, 2019, 05:09:11 pm »
Didn't know you were looking, I coulda met you on I94 with a gator from Florida, they got lots of 'em  :icon_biggrin:

 :laugh:

Real gator skin are big $$!

Very expensive jackets and shoes.

But, you could send me some gator meat!!!!!!   :icon_biggrin:

Offline sluckey

  • Level 5
  • *******
  • Posts: 5075
    • Sluckey Amps
Hoffman Amps Forum image
Re: Finished! Princeton 5F2A New gator cab!
« Reply #24 on: February 27, 2019, 05:14:12 pm »
A schematic, layout, and hi-rez pics are very useful for troubleshooting your amp. Don't wait to be asked. JUST DO IT!

Offline Willabe

  • Global Moderator
  • Level 5
  • ******
  • Posts: 10580
Hoffman Amps Forum image
Re: Finished! Princeton 5F2A New gator cab!
« Reply #25 on: February 27, 2019, 05:21:44 pm »
 :laugh:

Ohhhh. Yeah I've seen him on a show on hunting gators. Those guys are wild! Huge gators, pulled right up to the boat and (hopefully) 1 shot to the head.

I saw 1 show where he had some many big gators in his little boat, they had a guy with a back hoe load them out of the boat into the truck they had!  :laugh:   

I love eating gator, and it don't taste like chicken too me.    :laugh: 

 


Choose a link from the
Hoffman Amplifiers parts catalog
Mobile Device
Catalog Link
Yard Sale
Discontinued
Misc. Hardware
What's New Board Building
 Parts
Amp trim
Handles
Lamps
Diodes
Hoffman Turret
 Boards
Channel
Switching
Resistors Fender Eyelet
 Boards
Screws/Nuts
Washers
Jacks/Plugs
Connectors
Misc Eyelet
Boards
Tools
Capacitors Custom Boards
Tubes
Valves
Pots
Knobs
Fuses/Cords Chassis
Tube
Sockets
Switches Wire
Cable


Handy Links
Tube Amp Library
Tube Amp
Schematics library
Design a custom Eyelet or
Turret Board
DIY Layout Creator
File analyzer program
DIY Layout Creator
File library
Transformer Wiring
Diagrams
Hoffmanamps
Facebook page
Hoffman Amplifiers
Discount Program


password