Welcome To the Hoffman Amplifiers Forum

December 08, 2025, 03:01:45 pm
guest image
Welcome, Guest. Please login or register.
-User Name
-Password



Hoffman Amps Forum image Author Topic: Cap ID  (Read 13196 times)

0 Members and 1 Guest are viewing this topic.

Offline txtune

  • Level 2
  • **
  • Posts: 202
  • Donny, you're out of your element!
Hoffman Amps Forum image
Cap ID
« on: November 05, 2020, 11:50:05 am »
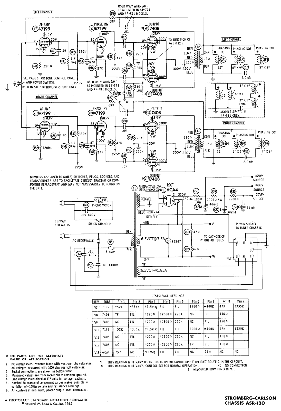
I am trying to find this cap. What exactly am I looking at, circled in red. Thx!

Offline sluckey

  • Level 5
  • *******
  • Posts: 5075
    • Sluckey Amps
Hoffman Amps Forum image
Re: Cap ID
« Reply #1 on: November 05, 2020, 11:54:07 am »
I am trying to find this cap. What exactly am I looking at, circled in red. Thx!
Looks like you found it already.   :icon_biggrin:

It's a .1µF 400V cap. Any .1µF cap that's rated for 400V (or higher) will work. Plenty to chose from. Just click the capacitors link below this message.
A schematic, layout, and hi-rez pics are very useful for troubleshooting your amp. Don't wait to be asked. JUST DO IT!

Offline txtune

  • Level 2
  • **
  • Posts: 202
  • Donny, you're out of your element!
Hoffman Amps Forum image
Re: Cap ID
« Reply #2 on: November 05, 2020, 01:15:32 pm »
I am trying to find this cap. What exactly am I looking at, circled in red. Thx!
Looks like you found it already.   :icon_biggrin:

It's a .1µF 400V cap. Any .1µF cap that's rated for 400V (or higher) will work. Plenty to chose from. Just click the capacitors link below this message.

Thanks sluckey! I am making this harder than it needs to be. My 'local' electronics store is a shop-online and then pick-up at will call type. Great place, but nobody there to answer questions like this... you folks here are the 'good side' of the internet.  :icon_biggrin:   

Narrowing down inventory to Capacitors  -> 'in stock' -> .1uF -> Above 400V = about 45 results. I can still narrow down by Manufacturer, Category (Aluminum Electrolytic, Ceramic, Feed Through, Film, Tantalum), Tolerance, Termination, Mounting, Configuration, Element Material, ESR, Case Size, Special Features, Max/Min Operating Temp, Lead Spacing, and Series.  :help:

Is the 10% referring to the tolerance?

Any brands/features to stay away from? Any to look for?

Offline sluckey

  • Level 5
  • *******
  • Posts: 5075
    • Sluckey Amps
Hoffman Amps Forum image
Re: Cap ID
« Reply #3 on: November 05, 2020, 01:34:04 pm »
Click the capacitors link below this message. SUPPORT OUR HOST! He has to pay for this forum. It ain't free.
A schematic, layout, and hi-rez pics are very useful for troubleshooting your amp. Don't wait to be asked. JUST DO IT!

Offline Latole

  • Level 4
  • *****
  • Posts: 2522
Hoffman Amps Forum image
Re: Cap ID
« Reply #4 on: November 05, 2020, 01:45:49 pm »
Why do you need a new one ?

I'll put this one ;


Offline txtune

  • Level 2
  • **
  • Posts: 202
  • Donny, you're out of your element!
Hoffman Amps Forum image
Re: Cap ID
« Reply #5 on: November 05, 2020, 02:12:07 pm »
Click the capacitors link below this message. SUPPORT OUR HOST! He has to pay for this forum. It ain't free.

Ok, will do. But I want it now! I will order some other items from our host.

Offline txtune

  • Level 2
  • **
  • Posts: 202
  • Donny, you're out of your element!
Hoffman Amps Forum image
Re: Cap ID
« Reply #6 on: November 05, 2020, 02:13:22 pm »
Why do you need a new one ?

The one in the picture is not mine.

Offline txtune

  • Level 2
  • **
  • Posts: 202
  • Donny, you're out of your element!
Hoffman Amps Forum image
Re: Cap ID
« Reply #7 on: November 05, 2020, 02:41:07 pm »
Click the capacitors link below this message. SUPPORT OUR HOST! He has to pay for this forum. It ain't free.

While I am shopping I am going to get some other items. Are the two resistors in my original image 470k 1/2 watt carbon?

Offline mresistor

  • Global Moderator
  • Level 4
  • ******
  • Posts: 3216
  • resistance is futile
Hoffman Amps Forum image
Re: Cap ID
« Reply #8 on: November 05, 2020, 02:44:24 pm »
Yes


Offline Latole

  • Level 4
  • *****
  • Posts: 2522
Hoffman Amps Forum image
Re: Cap ID
« Reply #9 on: November 05, 2020, 02:45:39 pm »
Why do you need a new one ?

The one in the picture is not mine.

I though you are looking for a replacement.
Like yours is not available, it is not made anymore .

Look at E-Bay for a used one

Offline txtune

  • Level 2
  • **
  • Posts: 202
  • Donny, you're out of your element!
Hoffman Amps Forum image
Re: Cap ID
« Reply #10 on: November 05, 2020, 02:50:06 pm »
I have the exact same amp as the one in the picture, which I am trying to mod in a similar fashion. The description (that accompanied the photo) was given as a  1uF DC-blocking cap. Being new to all of this, I wanted to make sure I was getting the correct type.

Offline Latole

  • Level 4
  • *****
  • Posts: 2522
Hoffman Amps Forum image
Re: Cap ID
« Reply #11 on: November 05, 2020, 02:55:50 pm »
I have the exact same amp as the one in the picture, which I am trying to mod in a similar fashion. The description (that accompanied the photo) was given as a  1uF DC-blocking cap. Being new to all of this, I wanted to make sure I was getting the correct type.

It is not a 1 mfd it is a 0.1 mfd.
 I show you the correct replacement.

Short answer ; a 0.1 mfd 400 volts is same as any a 0.1 mdf 400 volts ( or more volts )
« Last Edit: November 05, 2020, 02:58:11 pm by Latole »

Offline txtune

  • Level 2
  • **
  • Posts: 202
  • Donny, you're out of your element!
Hoffman Amps Forum image
Re: Cap ID
« Reply #12 on: November 05, 2020, 03:19:48 pm »
Typo on my part, it was listed as .1 ... it was the DC blocking part that confused me. Just wanted to make sure I got the right one, which I just ordered from the link below.

Offline shooter

  • Level 5
  • *******
  • Posts: 11172
  • Karma Loves haters
Hoffman Amps Forum image
Re: Cap ID
« Reply #13 on: November 05, 2020, 04:34:38 pm »
Quote
it was the DC blocking part that confused me.
in week 1 of EE class you learn "capacitors block DC and pass AC"
week 2 they make you do math and amend those rules  :icon_biggrin:
Went Class C for efficiency

Offline Latole

  • Level 4
  • *****
  • Posts: 2522
Hoffman Amps Forum image
Re: Cap ID
« Reply #14 on: November 06, 2020, 03:03:01 am »
On what amp ( or ???) do you work ? What do you want to do ?

Offline Latole

  • Level 4
  • *****
  • Posts: 2522
Hoffman Amps Forum image
Re: Cap ID
« Reply #15 on: November 06, 2020, 03:05:52 am »
Quote
it was the DC blocking part that confused me.
in week 1 of EE class you learn "capacitors block DC and pass AC"
week 2 they make you do math and amend those rules  :icon_biggrin:

Or Google ;

http://www.learningaboutelectronics.com/Articles/What-is-a-coupling-capacitor


Offline HotBluePlates

  • Global Moderator
  • Level 5
  • ******
  • Posts: 13155
Hoffman Amps Forum image
Re: Cap ID
« Reply #16 on: November 06, 2020, 08:11:23 am »
I have the exact same amp as the one in the picture, which I am trying to mod in a similar fashion. The description (that accompanied the photo) was ...

Why make us guess?  Name the amp and/or provide a link to the "description of the mod."

You would probably get a clearer answer, faster.

Offline Latole

  • Level 4
  • *****
  • Posts: 2522
Hoffman Amps Forum image
Re: Cap ID
« Reply #17 on: November 06, 2020, 08:28:43 am »
It is unfortunately quite common to read on forums, people ask for specific advice without giving details or without mentioning their equipment / gear.

Offline shooter

  • Level 5
  • *******
  • Posts: 11172
  • Karma Loves haters
Hoffman Amps Forum image
Re: Cap ID
« Reply #18 on: November 06, 2020, 09:33:23 am »
Quote
I am trying to find this cap.


The OP isn't interested in amps, just caps, no reason to say I have a fenderxyz when you only care about a Cap.
that IS displayed for our decoding
Went Class C for efficiency

Offline Joel in Texas

  • Level 1
  • *
  • Posts: 47
  • I love Tube amps
Hoffman Amps Forum image
Re: Cap ID
« Reply #19 on: November 06, 2020, 09:34:03 am »
It is unfortunately quite common to read on forums, people ask for specific advice without giving details or without mentioning their equipment / gear.

This is true.

And it is also true that sometimes those providing answers on forums are also not perfect.  Maybe they respond too quickly and confidently, based on incorrect understanding or incorrect assumptions about the person’s question.  Maybe they do not understand certain words or certain parts of the question, so the response they give is actually incorrect.

None of us are perfect.

One other thing to understand about the learning process: when people are beginners, they do not yet understand the context, or how best to ask their questions.  They do not yet know what information is important to provide.

Txtune provided a clear picture of the part, the part’s label, and the part’s position in a circuit.  For a beginner, that is “giving details”.  For a beginner, that might seem like all the information an expert needs to answer the question; in fact, some experts might agree.  But overall, It is not logical to assume a beginner knows how to ask questions in the best way, or in the way an expert prefers.

My own preference is to try to help people by sharing what little knowledge I have, without criticizing them for what they do not yet know how to do.

If on the other hand, the person asking the question is rude, too demanding, or otherwise impatient, then I can choose not to respond.  But as long as a person is decent, I try to help without criticizing for what they do not yet know.

These are just my opinions, which are also known to be imperfect.

Offline jewishjay

  • Level 2
  • **
  • Posts: 146
  • Merrily on my way to nowhere in particular!
    • my Reverb store
Hoffman Amps Forum image
Re: Cap ID
« Reply #20 on: November 06, 2020, 11:57:34 am »
sometimes those providing answers on forums respond too quickly and confidently, based on incorrect understanding or incorrect assumptions about the person’s question.  Maybe they do not understand certain words or certain parts of the question, so the response they give is actually incorrect.


AMEN

Offline txtune

  • Level 2
  • **
  • Posts: 202
  • Donny, you're out of your element!
Hoffman Amps Forum image
Re: Cap ID
« Reply #21 on: November 06, 2020, 12:56:18 pm »
Thank you all for your input. My apologies to anyone who found my question frustrating.

I have a tube power amp from a Stromberg-Carlson ASR-120 Stereo. I am in the process of learning, restoring, and modifying this amp. This is my first attempt working on any real electronics. While searching the internet for information I came across a recent blog of an individual who was working on the exact same amp. The amp he started with was already modified by someone, it was an estate sale find. The author of the blog did describe the cap in question (which was not original equipment) as a ".1uF DC-blocking cap". I posted the picture here and asked for further information.

Offline txtune

  • Level 2
  • **
  • Posts: 202
  • Donny, you're out of your element!
Hoffman Amps Forum image
Re: Cap ID
« Reply #22 on: November 06, 2020, 01:15:13 pm »
It's a .1µF 400V cap. Any .1µF cap that's rated for 400V (or higher) will work. Plenty to chose from. Just click the capacitors link below this message.

One more question about this. The cap in the picture *appears* to be polarized, but none of the ones I purchased *appear* to be. Am I looking at that correctly?

Offline sluckey

  • Level 5
  • *******
  • Posts: 5075
    • Sluckey Amps
Hoffman Amps Forum image
Re: Cap ID
« Reply #23 on: November 06, 2020, 01:32:54 pm »
It is not polarized. If you are referring to the black stripe at one end, that simply indicates that lead is connected to the outer foil.
A schematic, layout, and hi-rez pics are very useful for troubleshooting your amp. Don't wait to be asked. JUST DO IT!

Offline shooter

  • Level 5
  • *******
  • Posts: 11172
  • Karma Loves haters
Hoffman Amps Forum image
Re: Cap ID
« Reply #24 on: November 06, 2020, 01:47:38 pm »
IF your brain hasn't completely dissolved from capacitance, read on  :icon_biggrin:


https://el34world.com/Forum/index.php?topic=11427.0



Went Class C for efficiency

Offline acheld

  • Level 3
  • ***
  • Posts: 1303
  • No well conceived plan survives the event.
Hoffman Amps Forum image
Re: Cap ID
« Reply #25 on: November 06, 2020, 06:25:46 pm »
OK, question:  What is the purpose of the cap in question?   Looks like it dumps AC from pin 7 of a tube to ground.

Am I reading this wrong?

Offline shooter

  • Level 5
  • *******
  • Posts: 11172
  • Karma Loves haters
Hoffman Amps Forum image
Re: Cap ID
« Reply #26 on: November 06, 2020, 06:41:20 pm »
look at the right side, again
Hint: tab is give-a-way
Went Class C for efficiency

Offline Joel in Texas

  • Level 1
  • *
  • Posts: 47
  • I love Tube amps
Hoffman Amps Forum image
Re: Cap ID
« Reply #27 on: November 06, 2020, 07:44:38 pm »
What is the purpose of the cap in question?

I googled up some of the info provided throughout the thread: "Stromberg-Carlson ASR-120 Stereo" and ".1 cap" and "mod".  I got several apparently relevant results, including the following:

http://origaminightlamp.blogspot.com/2020/04/stromberg-carlson-asr-120-stereo-tube.html

If you scroll down about 2/3rds of the way through that page, you'll see what's up.  It looks to me like they're caps added as part of the mod.  The mod includes adding RCA-style inputs to the power amp. Since a person could then theoretically connect any audio source "output" to these newly-added RCA "inputs" - even an audio source that also has DC riding along with it's audio output - the DC-blocking caps were added to stop any such DC from getting in.  So the caps are in series with these newly-added inputs (and despite initial appearances, not tied to ground).

It seems likely to me that for the original, unmodified version of this stereo system, DC-blocking caps were present too, but maybe in another chassis housing the preceding preamp stage or stages (like the output of the phono preamp circuit, or whatever preceded this poweramp in the original home-stereo setup). 

Offline txtune

  • Level 2
  • **
  • Posts: 202
  • Donny, you're out of your element!
Hoffman Amps Forum image
Re: Cap ID
« Reply #28 on: November 06, 2020, 07:50:25 pm »
That is the blog post I was referring to, you can see my mess in the most recent posting in my ASR120 thread here.

Offline Latole

  • Level 4
  • *****
  • Posts: 2522
Hoffman Amps Forum image
Re: Cap ID
« Reply #29 on: November 08, 2020, 08:21:05 am »
OK, question:  What is the purpose of the cap in question?   Looks like it dumps AC from pin 7 of a tube to ground.

Am I reading this wrong?

Cap loog plug to RCA jack

Offline txtune

  • Level 2
  • **
  • Posts: 202
  • Donny, you're out of your element!
Hoffman Amps Forum image
Re: Cap ID
« Reply #30 on: November 08, 2020, 10:34:01 am »
So the caps are in series with these newly-added inputs (and despite initial appearances, not tied to ground).

Should I the tabs on the RCA 'inputs' have a wire going to the chassis ground?

Offline sluckey

  • Level 5
  • *******
  • Posts: 5075
    • Sluckey Amps
Hoffman Amps Forum image
Re: Cap ID
« Reply #31 on: November 08, 2020, 11:54:17 am »
no
A schematic, layout, and hi-rez pics are very useful for troubleshooting your amp. Don't wait to be asked. JUST DO IT!

Offline txtune

  • Level 2
  • **
  • Posts: 202
  • Donny, you're out of your element!
Hoffman Amps Forum image
Re: Cap ID
« Reply #32 on: November 08, 2020, 01:13:45 pm »
Should the tabs be connected to anything?

Offline sluckey

  • Level 5
  • *******
  • Posts: 5075
    • Sluckey Amps
Hoffman Amps Forum image
Re: Cap ID
« Reply #33 on: November 08, 2020, 01:54:39 pm »
They are electrically connected to the chassis simply through the mechanical contact with the chassis. Just like a screw and nut are electrically connected to the chassis through the mechanical contact. This is not a difficult concept.
A schematic, layout, and hi-rez pics are very useful for troubleshooting your amp. Don't wait to be asked. JUST DO IT!

Offline txtune

  • Level 2
  • **
  • Posts: 202
  • Donny, you're out of your element!
Hoffman Amps Forum image
Re: Cap ID
« Reply #34 on: November 08, 2020, 02:04:37 pm »
They are electrically connected to the chassis simply through the mechanical contact with the chassis. Just like a screw and nut are electrically connected to the chassis through the mechanical contact. This is not a difficult concept.

Of course it is via the washer the tab is attached to, in fact the washer portion if making the best connection with the chassis. Why add a tab, with a hole in it for a solder connection, sticking off the side if there is no intention of making any sort of connection?

Offline Joel in Texas

  • Level 1
  • *
  • Posts: 47
  • I love Tube amps
Hoffman Amps Forum image
Re: Cap ID
« Reply #35 on: November 08, 2020, 02:13:11 pm »
Here is the general, abbreviated idea behind those tabs, why you do not need to connect them to anything to make your amp work as it is currently set up, and some examples of why other amps would need the tab.

The standard method to get audio signals from one place to another, is to use two wires (we can set aside shielded cable for a moment, but the idea is the same there is well).  One wire is "hot", carrying the audio signal, and the other serves as "ground". 

In your setup, your RCA jacks each have two connections, inside your amp.  One makes the connection to the wire carrying the audio signal from your source - that connection is the one in the middle of your RCA jack, to which you connected the .1 uF cap. That is how the audio signal from your source gets to the circuitry inside the amp.

The other connection, is to ground.  In this case, the RCA jacks can connect to ground in more than one way.  The method you are currently using, though it was not apparent to you, is through direct contact to your amp chassis.  If you study the RCA jack, the tab, and the amp chassis, you will see that all three are already in contact with one another. So you do not need to make a wire connection from the RCA tab, to your amp chassis / amp ground.  It is already made, through direct contact.  You could make a the connection using a wire, but it would be redundant.

If you had a plastic chassis, or the amp was otherwise set up in a different way, where chassis was not the circuit ground, then you would need to run a wire from that tab, to wherever ground was set up.

Another example where you might need that tab, is for an amp where the amp input grounds are intentionally isolated from direct connection to chassis ground at input, but get connected to ground through an intermediate point later in the circuit.  This is more complicated, and beyond my knowledge to teach effectively, but you can look up "star grounding for guitar amps" or some combo of those keywords using your google machine if you are interested.

So there are times when that tab connection would be needed.  In your case, it is not needed because the ground connection is made through direct contact.


Offline txtune

  • Level 2
  • **
  • Posts: 202
  • Donny, you're out of your element!
Hoffman Amps Forum image
Re: Cap ID
« Reply #36 on: November 08, 2020, 02:27:37 pm »
Joel - Thank you! I knew the tab had a purpose in some configuration and you explained that perfectly.

While the speakers are working and the audio is coming through, there is a loud humming noise. I just wanted to make sure these tabs did not need to be connected somewhere to eliminate the humming sound. Any idea where to start in tracking down the humming noise? Should I start another thread for that?

Offline Joel in Texas

  • Level 1
  • *
  • Posts: 47
  • I love Tube amps
Hoffman Amps Forum image
Re: Cap ID
« Reply #37 on: November 08, 2020, 02:53:08 pm »
While the speakers are working and the audio is coming through, there is a loud humming noise...Should I start another thread for that?

Re: starting a new thread, maybe, maybe not.  First a few questions about the hum:

Is it a constant-pitch, low-frequency hum?  Just keeps going at one low-end pitch?

If you unplug / remove connection cables from your audio source to the RCA jacks, does the hum remain constant?

Finally, I'm guessing the answer on this one is "no", but I'll ask anyway: did you replace any capacitors in the amp?  Though not the only cause of constant, low-frequency hum in old tube amps someone is trying to revive, a common cause is faulty power-supply filter capacitors.  It looks like in your amp, the power-supply filter caps are contained in the "can" seen on the top side, near the big power transformer.  You didn't replace the power supply filter caps yet, did you?

Offline txtune

  • Level 2
  • **
  • Posts: 202
  • Donny, you're out of your element!
Hoffman Amps Forum image
Re: Cap ID
« Reply #38 on: November 08, 2020, 03:04:46 pm »
Is it a constant-pitch, low-frequency hum?  Just keeps going at one low-end pitch?

Yes.

If you unplug / remove connection cables from your audio source to the RCA jacks, does the hum remain constant?

Yes.

It looks like in your amp, the power-supply filter caps are contained in the "can" seen on the top side, near the big power transformer.  You didn't replace the power supply filter caps yet, did you?

No I did not. I actually have the parts and direction to rebuild the 'can' ... or disconnect it and put the new parts under the base. I suspect that is my next order of business.

Offline Joel in Texas

  • Level 1
  • *
  • Posts: 47
  • I love Tube amps
Hoffman Amps Forum image
Re: Cap ID
« Reply #39 on: November 08, 2020, 03:39:39 pm »
Yes.  Though it's not certain, based on your answers there is a good chance that the cause of what you are hearing is that those electrolytic filter caps in the can are likely no longer doing their job of filtering out power supply hum.  In my opinion, if you already have the parts, you should proceed with putting in new filter caps.

Your response indicates you are already aware that there are different strategies for doing this.  It sounds like you bought three individual caps, rather than a "multi-section can" like the original part?  If yes, cool, but I hope the caps you bought are at or higher than the voltage specified for the original? 

I often replace can cap filters by leaving the "can" in place, disconnecting the wires from it, and putting new individual caps inside the chassis using terminal strips or other secure methods so that they are held in place in a solid manner, and not suspended in there just shaking around etc. by long wire connections on both ends. Many people use gobs of hot glue to keep them in place.  OK, but not my own preference - I use terminal strips myself.

Before you start: the filter capacitors can store a big DC charge, even after the amp is shut off.  It could hurt you or kill you.  PLEASE read up on how to work on them safely, before you proceed.  Use your googler to search up "safely drain tube amp filter caps", before you start on this.

After reading up on that, do two things: take a closeup picture of the connections / wiring at the bottom of the can capacitor, inside the chassis, and also take a closeup picture of any stamped text on the outside of the can, at the top. If you need help confirming hookup later, this will be necessary to share. You will often see some codes on both the bottom of the can cap (inside the chassis) and also stamped on the outside, which explain the hookup process.  For example, on the outside you might see a triangle shape, along with something like "40uf, 450 volts" and then a half-circle shape along with something like "10uf, 350 volts" or whatever.  Then inside stamped on the bottom, you might see the triangle and the half-circle, next to the connection tabs.  This all explains the correct hookup of the different capacitors.

If you were not aware, these capacitors are polarized, carry high voltage, and can be bad news if you wire them up wrong. If done wrong, there is a good chance you will have fireworks, damaged parts, and a smokey haze of the non-purple variety in your workshop.

Be careful, take your time, and do it all correctly.  This is not something to rush.

Offline txtune

  • Level 2
  • **
  • Posts: 202
  • Donny, you're out of your element!
Hoffman Amps Forum image
Re: Cap ID
« Reply #40 on: November 08, 2020, 04:31:06 pm »
The 'kit' I purchased from HiFiAudio.com included the new power caps, listed below, new film caps, inrush thermister, and some other odds and ends. The included directions cover multiple techniques used to rebuild the original multi section can cap. The author also talks about putting them 'under the hood' like you mentioned. Do you have a photo you could share of your technique? Rebuilding the can looks cool, but also looks like a chore. 

C52A – 40/350 will be replaced with 47uF
C52B – 30/350 will be replaced with 47uF
C52C – 15/300 will be upgraded to 22uF
C52D – 47/100


Offline shooter

  • Level 5
  • *******
  • Posts: 11172
  • Karma Loves haters
Hoffman Amps Forum image
Re: Cap ID
« Reply #41 on: November 08, 2020, 04:46:10 pm »
It is a pain to gut out an ol can an work in new, I would leave that til after it's running good.


did you note the original VDC of your old can?, 350vdc might be marginal for the 1st PS tap.  the 47uf 100 will work good as the cathode bypass cap on the PA tubes
Went Class C for efficiency

Offline txtune

  • Level 2
  • **
  • Posts: 202
  • Donny, you're out of your element!
Hoffman Amps Forum image
Re: Cap ID
« Reply #42 on: November 08, 2020, 05:08:12 pm »
It is a pain to gut out an ol can an work in new, I would leave that til after it's running good.


did you note the original VDC of your old can?, 350vdc might be marginal for the 1st PS tap.  the 47uf 100 will work good as the cathode bypass cap on the PA tubes

Would you bypass it for now and put the new power caps underneath? Would a new can with the correct specs be hard to come by?

Offline txtune

  • Level 2
  • **
  • Posts: 202
  • Donny, you're out of your element!
Hoffman Amps Forum image
Re: Cap ID
« Reply #43 on: November 08, 2020, 06:19:47 pm »
Was this particular can cap so specialized that none of these manufactures would still make one?

This site had some that looked close, but nothing exact.
https://www.tedss.com/Capacitors/Browse/aluminum-electrolytic-large-can-twist-lock

Offline Joel in Texas

  • Level 1
  • *
  • Posts: 47
  • I love Tube amps
Hoffman Amps Forum image
Re: Cap ID
« Reply #44 on: November 08, 2020, 06:37:26 pm »
I suggest following up on one of Shooter's questions, before rushing to shop for new or different parts.  I think you might be OK with what you have, but let's verify.

You gave all specs for the original caps, but only some specs for the new caps that came in your kit.  To clarify, you indicated 47uf, 47uf, 22uf, 47uf for the replacement caps.  That is the capacitance of each capacitor in your kit - it means 47 micro farads, 22 micro farads, etc.  Those specs seem fine.

But what about the voltage of each?  Please take a look at each of the caps in your replacement kit, and let us know the voltage on each. In particular, we're curious about the big 47uF caps. 

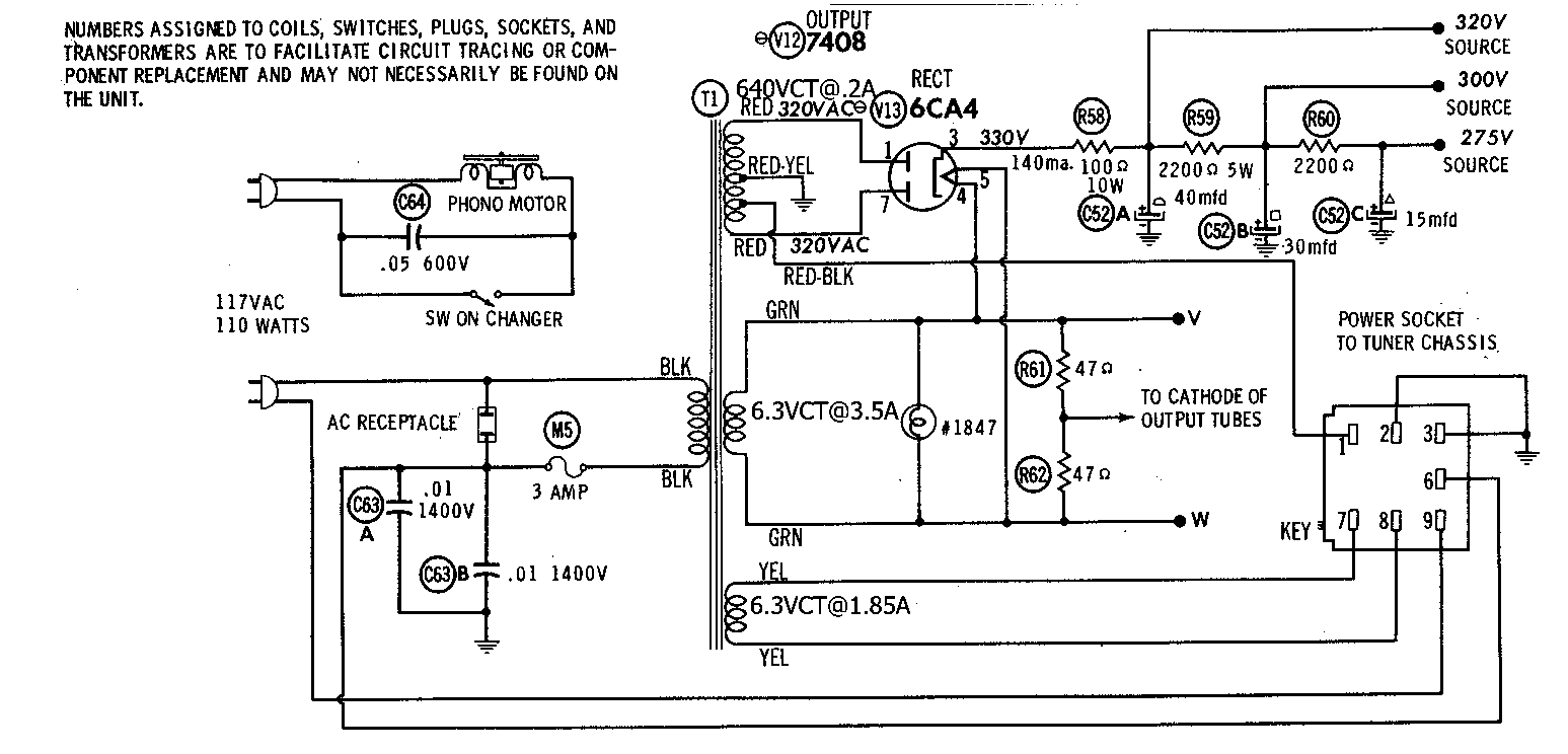
The schematic of the power supply found at the link below, indicates that C52 - the first filter cap after the 6CA4 rectifier tube - normally sees 320 volts DC.  It probably sees more than that at startup, and given today's higher household AC compared to the past, it might see more than that throughout regular use.  So a 350 volt capacitor in that position might be OK, or it might be cutting it a little close.

https://1.bp.blogspot.com/-lGXMf-1Cew4/Xod0ekJn5DI/AAAAAAAADis/3nMcauGiPVwDt18GE2wM65Lsgw933ql5ACLcBGAsYHQ/s1600/ASR-120Power.gif

It would be nice - maybe not even a deal breaker, but nice to know - that the replacement cap for the first position, is at a higher spec than 350 volts.  Please let us know what you see for voltage specs, on the replacement caps themselves. 

About stuffing the can versus getting the amp working, I think Shooter means that you could probably get the amp in good working order first using what you have - including replacing these filter caps - before eventually deciding whether you want to stuff new caps into that old can, or shell out the additional possibly unnecessary money to buy an original-spec can.

As we have been discussing, there are several ways to do this right, from a functional standpoint.  But there are choices you can make based on preference.  Among your choices: (1) You can pull the can right out of the chassis, which takes some time and effort, and leaves a hole in the chassis which you probably have to plug up.  Then you can install the new caps, using a few possible approaches.  (2) You can leave the can in place, which gives you the same look from the outside view, up top.  The amp looks the same from the exterior, in other words, because you're leaving the can and it's internal caps, in place.  But then underneath, you install the new caps, using a few possible approaches.  (3) You can do all the work to empty the can, stuff the new caps in, and wire them up.

I like choice 2, myself.  It lets me preserve the amp's original look from the outside, and tends to be less work than the other two options.

You could try choice 2 to see if you get the amp working well.  You already have the parts that should likely work.  Then if you start feeling fussy later and really want to hollow out the can, or shop for a similar can with close to original specs, you could. 

I use terminal strips, when implementing option 2.  You mount them under the chassis, often somewhere near the bottom of the can caps you are updating.  Then you can appropriately solder the new caps and existing wiring that went to the can cap, to the new terminal strips you have installed.

Hoffman (sponsor of this forum) sells terminal strips - scan this page:

https://hoffmanamps.com/MyStore/perlshop.cgi?ACTION=enter&template&thispage=BoardBuilding&ORDER_ID=!ORDERID!

Take a look at the 5-terminal options.  Without thinking about it too much, or verifying for sure, I would think if you came up with two of those, you could install the caps in your kit just fine. 
« Last Edit: November 08, 2020, 06:41:29 pm by Joel in Texas »

Offline shooter

  • Level 5
  • *******
  • Posts: 11172
  • Karma Loves haters
Hoffman Amps Forum image
Re: Cap ID
« Reply #45 on: November 08, 2020, 07:06:34 pm »
the 1st tap needs to be 450vdc
I know you already spent $$, but your 4 cap can, can be replaced by;


https://hoffmanamps.com/MyStore/perlshop.cgi?ACTION=enter&template&thispage=Capacitors&ORDER_ID=!ORDERID!


look at the JJ can at the bottom.
If you opt for that option, get the clamp


otherwise on that page find a single 47uf 450vdc or more to use for tap A, then use yours for B-D


IN the power supply VDC takes priority over uF
Went Class C for efficiency

Offline txtune

  • Level 2
  • **
  • Posts: 202
  • Donny, you're out of your element!
Hoffman Amps Forum image
Re: Cap ID
« Reply #46 on: November 08, 2020, 07:17:00 pm »
Joel - I really appreciate you taking the time to respond in such depth and with absolute clarity and patience. Shooter and Sluckey have both helped out a great deal,  though I must admit, sometimes it feels like I am asking for motorcycle riding lessons from the Hells Angels.   :laugh:

I will post all of the specs (of the new caps from the kit) tomorrow after I get to the shop and get the guys lined out for the day. The incomplete specs I posted were grabbed from the PDF that came with the kit. Unfortunately I do not have everything in front of me at the moment, we live in a small condo in a tall building and I have no real work space... I also don't have to mow a yard, so I can't complain *too* much.

Keeping the can for the 'vintage' look is not important. If it can be done great, if not, that will be fine. I just want to get this amp to operate safely, sounding good, and cleaned up for it's second life.

The original cabinet that housed this power amp belonged to my grandparents. It was in bad shape and was being tossed out, I managed to salvage this amp, the tuner, and the turn table. Building a small tube amp kit has long been on my 'to-do' list. When I salvaged these parts it seemed like the perfect starter project... heh... wrong!

Offline txtune

  • Level 2
  • **
  • Posts: 202
  • Donny, you're out of your element!
Hoffman Amps Forum image
Re: Cap ID
« Reply #47 on: November 08, 2020, 07:20:34 pm »
the 1st tap needs to be 450vdc
I know you already spent $$, but your 4 cap can, can be replaced by;


https://hoffmanamps.com/MyStore/perlshop.cgi?ACTION=enter&template&thispage=Capacitors&ORDER_ID=!ORDERID!


look at the JJ can at the bottom.
If you opt for that option, get the clamp


otherwise on that page find a single 47uf 450vdc or more to use for tap A, then use yours for B-D


IN the power supply VDC takes priority over uF

Thanks Shooter! I am going to post some pictures of what I have on hand, and then go from there. I did indeed spend mucho dinero, and a lot of money too, on the rebuild 'kit'.. live and learn.   

Offline txtune

  • Level 2
  • **
  • Posts: 202
  • Donny, you're out of your element!
Hoffman Amps Forum image
Re: Cap ID
« Reply #48 on: November 08, 2020, 07:29:34 pm »
Shooter - The 40x20x20x20/500V JJ cap and the clamp below it would be a direct replacement for what the one I have? Would I drill the hole out and put it where the current cap can is? I already have some items in the basket, so if this is a slam dunk I will go ahead and order it. I would rather spend money the money here anyways.

Offline Joel in Texas

  • Level 1
  • *
  • Posts: 47
  • I love Tube amps
Hoffman Amps Forum image
Re: Cap ID
« Reply #49 on: November 08, 2020, 07:46:36 pm »
I would guess right now, though obviously cannot guarantee, that the replacement caps in the kit you purchased are spec'd at 450 volts or higher.  So yes, once you have them in-hand, check out the voltage specs and let us know.  Both sets of specs - capacitance/farads and voltage - are usually labeled clearly on the exterior of capacitors of this type. 

Separate topic, but something to keep in mind.  When I look at the schematic below, it seems this amp is happiest with a 2-ohm speaker load:

https://1.bp.blogspot.com/-E_0PnHJqYQ8/XoZqOM3NCNI/AAAAAAAADg8/Ml04hE7wf8E3Py8O9NTxBheEk3z7Tk4UACLcBGAsYHQ/s1600/ASR-120.gif

After each output transformer (labeled T2 and T3 on the schematic), the diagram shows a 12" speaker and a 6x9" speaker in parallel (we can ignore for now the bass-blocking 2.0 micro farad capacitor in series with the final 3x5" tweeter).  So my guess is, those 12" and 6x9" speakers are each 4-ohm speakers; once in parallel they present a nominal 2-ohm load to the transformers.

You mentioned testing with some bookshelf speakers.  Take a look at the back - does it say they are 8-ohms?  If yes, you might consider figuring out a way to get together a 2-ohm speaker load, or even 4-ohm which would probably be OK.  For example, you could wire up two 4-ohm speakers in parallel to get 2 ohms, or two 8-ohmers to get 4 ohms.  If you have to continue testing with 8-ohm speakers, it might be alright but I recommend testing at low volume; don't go crazy cranking the volume with a speaker load mis-matched by 4 times the original spec.

Finally, as you may have heard, you should not feed a tube amp a signal, without speakers connected.  That is bad news.

 


Choose a link from the
Hoffman Amplifiers parts catalog
Mobile Device
Catalog Link
Yard Sale
Discontinued
Misc. Hardware
What's New Board Building
 Parts
Amp trim
Handles
Lamps
Diodes
Hoffman Turret
 Boards
Channel
Switching
Resistors Fender Eyelet
 Boards
Screws/Nuts
Washers
Jacks/Plugs
Connectors
Misc Eyelet
Boards
Tools
Capacitors Custom Boards
Tubes
Valves
Pots
Knobs
Fuses/Cords Chassis
Tube
Sockets
Switches Wire
Cable


Handy Links
Tube Amp Library
Tube Amp
Schematics library
Design a custom Eyelet or
Turret Board
DIY Layout Creator
File analyzer program
DIY Layout Creator
File library
Transformer Wiring
Diagrams
Hoffmanamps
Facebook page
Hoffman Amplifiers
Discount Program


password